Easy P&ID Software

Create professional piping and instrumentation diagrams

The Easy Choice for Creating Your P&ID Online

Easy to Use

Start with the exact piping template or industrial diagram you need—not just a blank screen. Then simply stamp high-quality P&ID symbols to create your schematic or instrumentation diagram. Without a doubt, SmartDraw is the easiest way to draw schematics for the process industry.

SmartDraw dashboard piping template

Easy to Find the Symbols You Need

SmartDraw includes more than 300 high-quality Reichard symbols from major HMI/SCADA manufacturers. Build your custom piping and instrumentation diagrams with professional symbols for motors, flow meters, segmented pipes, pumps, tanks, valves, sensors, process cooling, process heating, water and wastewater systems, and much more.

Valve

Easy to Work With Other Apps

SmartDraw is easy to work with no matter what other apps you use. You can add P&ID drawings to:

  • Microsoft Office®
    • Word®
    • PowerPoint®
    • Excel®
  • Microsoft Teams®
  • Google Workspace
    • Google Docs
    • Google Sheets
  • Atlassian apps
    • Confluence
    • Jira

Easy to Save to Your Existing Storage Solution

SmartDraw works hand in glove with most file storage systems. You can save your P&ID directly to:

  • SharePoint®
  • OneDrive®
  • Google Drive
  • Dropbox®
  • Box®

There is no need to create a parallel set of common folders and permissions, SmartDraw can just save files directly into your existing set up.

Easy to Share

Share your P&ID with anyone, even if they don't own a copy of SmartDraw, with a link. You can also easily export any diagram as a PDF or common image formats like PNG or SVG.

Easy to Share

Easy to Get Help

Have a question? Chat or email us. SmartDraw support is in-house and free!

Easy to Get Help

Easy Collaboration

Your engineering team can work with the safety teams and operations to collaborate on any P&ID diagram. Your P&ID can be a single source of truth for both designing and safety compliance. Everyone can work on the same diagram in real time or leave comments and feedback.

SmartDraw makes it easy to share your design and make sure everyone is on the same page.

SmartDraw also works where you already communicate with your team. You can collaborate on diagrams in Microsoft Teams®, Slack or Confluence.

Collaborate on Piping Diagrams

Our P&ID Software Features

  • P&ID templates
  • Industry-standard symbols
  • Built-in engineering scales
  • Ability to add layers
  • Scale independent annotation layer
  • Shape data
  • Export a manifest of data
  • Export as PDF, PNG, or SVG
  • Works with Google Workspace
  • Works with with Microsoft Office®
  • Works with Microsoft Teams®
  • Works with 3rd party storage providers

Piping and Instrumentation Templates & Examples

Check out these piping and instrumentation diagrams created in SmartDraw. You can edit or customize any of them right now.

How To Make P&ID Drawings

Step 1

Start with a P&ID Template

Start with a blank P&ID diagram template located under the Engineering category on the SmartDraw dashboard. This template has all the tools and symbols you need to draw a P&ID diagram.

Step 2

Drag-and-Drop Components

Drag and drop valves and use the yellow action button to draw lines that represent your pipes to connect to other components and instruments. You can automatically connect components to the end of any pipeline from a pop-up menu of symbols. This pop-up menu automatically updates with your most recently used symbols.

Step 3

Find Symbols for Equipment and Valves

Your industry-standard symbols for P&ID are docked to the left of your drawing area. Browse to find the symbol you need and drag and drop it to your page. You can also use the search function to find symbols.

Step 4

Review and Verify

Look over the P&ID drawing for accuracy and verify compliance with industry standards and specifications.

Step 5

Share Your Drawing

When finished, you can share your drawing in different file types and use any of SmartDraw's integrations with other apps.

What is P&ID?

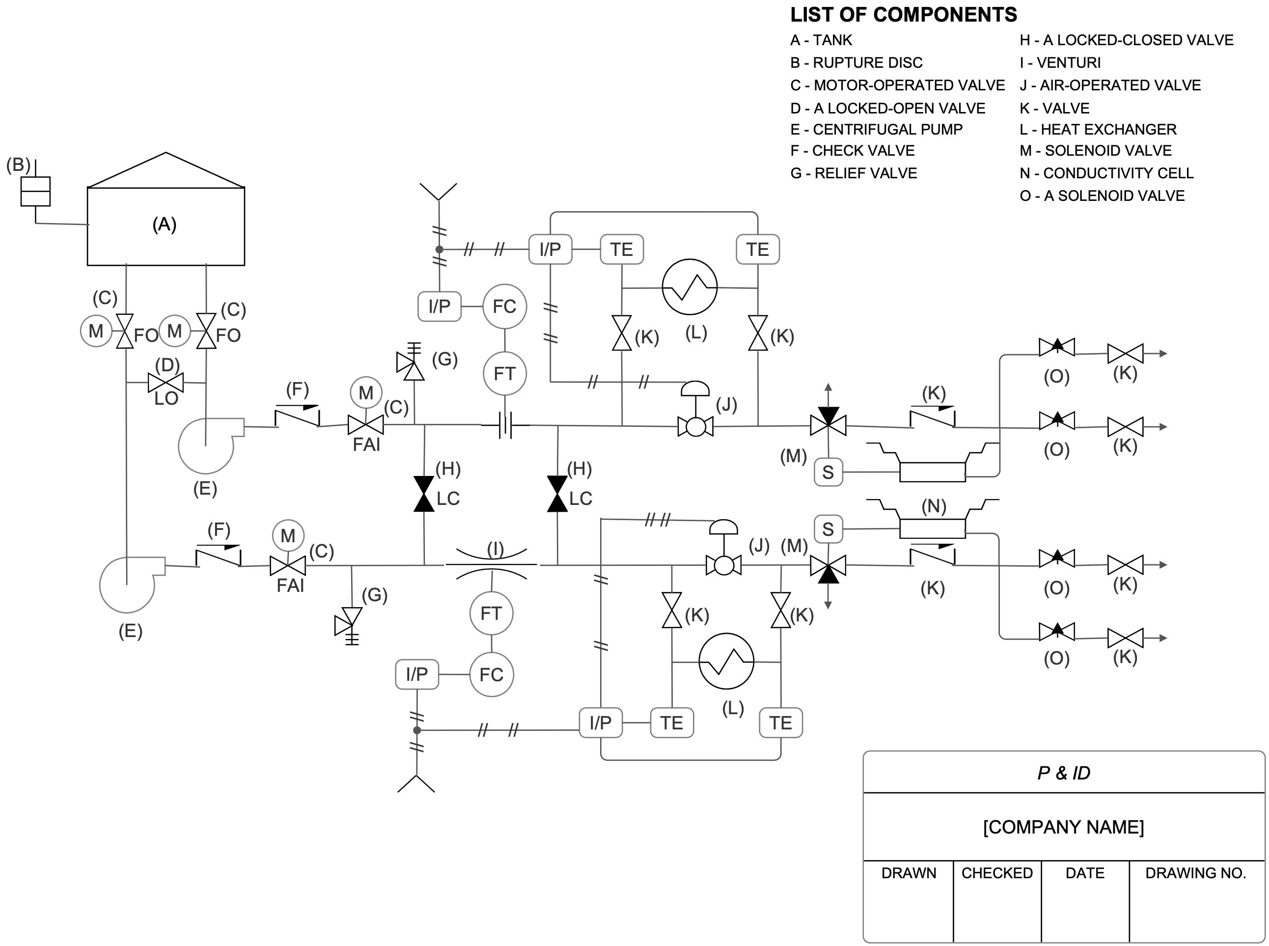
P&ID stands for piping and instrumentation diagram. A P&ID is used by engineers to document the piping and related equipment and controls in a physical flow inside manufacturing facilities like chemical plants, oil & gas processing, water treatment and more. In addition to documenting the system to help engineering teams stay on the same page, P&ID diagrams are used to troubleshoot issues and show compliance in any safety audits.

What a P&ID Includes

  • Equipment: Symbols, item numbers, key design data.
  • Piping: Line numbers, sizes, classes, specialty items, valves, vents, drains.
  • Instrumentation: Tags, signal types, control loops, indicators, transmitters, alarms.
  • Safety Systems: Relief devices with set points and sizes, interlock references.
  • Format Elements: Flow direction, connector information, uniform symbols, legible text.
  • Notes and Details: Insulation, tracing, special installation requirements, typical details.

In addition to the above components, engineers will need to include flow direction and label major equipment with identification tags. Always include a legend that explains what each tag represents.

You can read more about the specifications of a P&ID diagram created by PIP, Process Industry Practices. Read the P&ID documentation here.

Piping diagram example Piping diagram template

Frequently Asked Questions (FAQ) About P&ID

What are the three types of piping diagrams?

There are three types of piping diagrams: PFD (Process flow diagram), P&ID (Piping and instrumentation diagram), and ISO (Isometric piping drawing).

What does P&ID stand for in drawing?

P&ID stands for piping and instrumentation diagram.

What is the difference between a P&ID and PFD?

PFD stands for Process Flow Diagram. It's a high-level flow of the process. P&ID stands for Piping and Instrumentation Diagram. It's more detailed and technical showing specific components like valves, gauges, flow meters, and control systems.

How to read a P&ID for beginners?

Start reading a P&ID by looking at the legend that should be included explaining the tags for all the components. Next, identify major equipment such as pumps and heat exchangers using their tags. Then follow the process flow lines left to right to understand how material moves through the system. Look for information that show measurements and control actions such as pressure, flow, level, and temperature. Pay attention to control loops, signal types, and safety devices like relief valves, which indicate how the process is monitored.

Can you draw P&ID in Excel?

Creating a P&ID is ok for creating a conceptual check, but you can't use it to make a full P&ID diagram because you're missing engineering symbols included in a P&ID software like SmartDraw.

Can you draw P&ID in Word?

Word can only be used to create a very basic, high level diagram. Word doesn't include industry-standard symbols like SmartDraw.

SmartDraw is Used by Over 85% of the Fortune 500

3M logo
Amazon logo
AT&T logo
Cisco logo
Honeywell logo
Intel logo
Johnson and Johnson logo
Mariott logo
Abbott Labs logo
Motorola logo
Northrop Grumman logo
Oracle logo
Pfizer logo
Thermo Fisher Scientific logo
Verizon logo
Wells Fargo logo
3M logo
Amazon logo
AT&T logo
Cisco logo
Honeywell logo
Intel logo
Johnson and Johnson logo
Mariott logo
Abbott Labs logo
Motorola logo
Northrop Grumman logo
Oracle logo
Pfizer logo
Thermo Fisher Scientific logo
Verizon logo
Wells Fargo logo

Try SmartDraw's P&ID Software Free

Discover why SmartDraw is the best piping & instrumentation diagram software.